• 全部
  • 经验案例
  • 典型配置
  • 技术公告
  • FAQ
  • 漏洞说明
  • 全部
  • 全部
  • 大数据引擎
  • 知了引擎
产品线
搜索
取消
案例类型
发布者
是否解决
是否官方
时间
搜索引擎
匹配模式
高级搜索

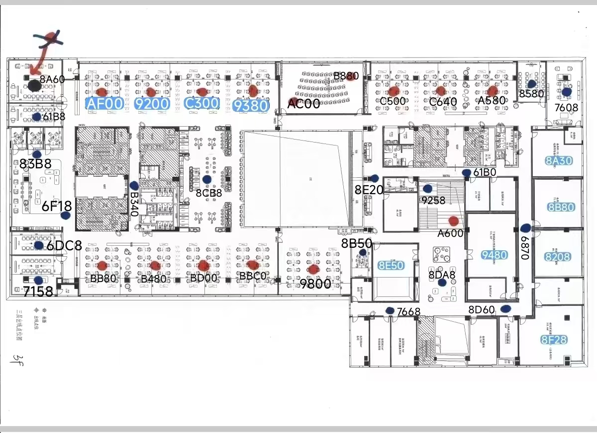
7230/7638信道规划

2026-03-16提问
  • 0关注
  • 0收藏,646浏览
粉丝:0人 关注:0人

问题描述:

图中的数字是ap的点位 ap型号为7230/7638 如何规划信道和频宽

最佳答案

粉丝:0人 关注:0人

图片已发

暂无评论

3 个回答
粉丝:14人 关注:1人

为WA7230和WA7638这两款AP规划信道和频宽,关键在于平衡好性能干扰。一个总的原则是:在保障覆盖的前提下,通过合理的信道规划来最大化利用频谱资源,同时尽可能避免AP之间的同频干扰

下面我将结合两款AP的硬件规格,为你梳理一份清晰的规划指南。

 1. 首先,了解你的AP

两款AP的频段支持能力不同,这是规划的起点:

  • H3C WA7230-LI:这是一款三频AP。它的三个射频分工明确:

    • 射频1:5GHz频段

    • 射频2:5GHz频段

    • 射频3:2.4GHz频段 

    • 这意味着它可以在2.4GHz和5GHz频段提供更强的并发处理能力。

  • H3C WA7638:这是一款支持Wi-Fi 7的AP,通常也是三频设计,支持2.4GHz、5GHz和6GHz频段 。6GHz是Wi-Fi 7带来的新频段,拥有大量纯净频谱,是实现超高速率的关键 。

2. 各频段信道与频宽规划建议

根据上述硬件特点,可以按频段来分别规划:

📶 2.4GHz频段

  • 频宽选择强烈建议锁定在 20MHz

    • 原因:2.4GHz频段本身信道数量少(只有1、6、11这三个完全不重叠的信道),且干扰源众多(如蓝牙、微波炉)。使用20MHz频宽可以有效减少相邻信道重叠,提升信道隔离度和整体网络的稳定性 。

  • 信道规划:在相邻的AP之间,轮换使用 1、6、11 这三个信道,形成蜂窝覆盖,这是最经典的规划方式 。

🚀 5GHz频段

5GHz频段信道资源丰富,规划可以更灵活。

  • 频宽选择:推荐使用 40MHz 或 80MHz

    • 核心考量:更高的频宽能带来更快的速度,但也更容易受到干扰。80MHz 能提供较好的性能体验,适合大多数高带宽业务。如果环境干扰非常严重,可以回退到 40MHz 以确保连接稳定性 。

    • 注意:WA7230-LI有两个5GHz射频,可以将它们分别规划到不同的5G信道组,以实现更精细的负载均衡。

  • 信道规划:优先使用 36-48 和 149-165 等非重叠信道组。如果AP数量多,可以启用 DFS(动态频率选择)信道(52-140) 来获得更多可用信道,但需注意DFS信道在检测到雷达时会自动切换,可能造成短暂中断。

💎 6GHz频段 (仅 WA7638 支持)

这是Wi-Fi 7的“黄金频段”,规划可以更激进。

  • 频宽选择:可以充分发挥Wi-Fi 7的优势,使用 160MHz 甚至 320MHz 的超大频宽,为VR/AR、8K视频等业务提供极致体验。

  • 信道规划:6GHz频段干扰极少,信道充足,可直接使用自动信道选择,让AP根据环境动态择优。

3. 规划的总原则

无论选择什么频段和频宽,最终的目标都是实现一张高效、稳定的无线网络。请遵循以下核心原则:

  • 蜂窝式覆盖,避免同频:在规划时,无论是水平方向还是垂直方向,都要尽量让使用相同信道的AP在物理位置上“隔开”,不要相邻。这是减少同频干扰最根本的方法 。

  • 功率调整要适度:并非信号越强越好。如果AP发射功率过高,覆盖范围过大,反而会加剧相邻AP间的干扰。理想的覆盖边缘信号强度建议在 -65dBm 左右 。可以适当降低功率,让终端在漫游时能更果断地切换到信号更强的AP。

  • **善用工具,先扫描后规划


暂无评论

粉丝:112人 关注:11人

图挂了

现在基本配置自动信道 自动功率就可以

暂无评论

粉丝:7人 关注:9人

您好!关于H3C 7230/7638的信道规划和WLAN射频配置,以下是一些关键步骤和建议:

### 1. 信道规划
#### 1.1 确定信道范围
- 信道范围:通常在2.4GHz和5GHz频段上,每个频段有13个信道(2.4GHz有1-11,5GHz有1-7)。
- 避免干扰:尽量选择相邻信道或不同信道的非重叠部分,减少信号干扰。

#### 1.2 信道分配
- AP点位:根据AP的点位,合理分配信道。例如,如果AP分布在不同的楼层或区域,可以考虑使用不同的信道以避免相互干扰。
- 优先选择:优先选择未被使用的信道,减少频率资源浪费。

### 2. WLAN射频配置
#### 2.1 频宽设置
- 带宽选择:根据应用需求选择合适的带宽。一般来说,5GHz频段的带宽更大,适合高数据传输速率的应用。
- 子载波数量:根据信道宽度调整子载波数量,确保数据传输效率和覆盖范围。

#### 2.2 动态频率选择(DFS)
- DFS:启用DFS功能,动态选择信道,避免与其他无线设备的干扰。

### 3. 实施步骤
1. 测量信道干扰:使用工具(如Wi-Fi分析仪)测量现有信道的干扰情况。
2. 规划新信道:根据测量结果,规划新的信道范围,确保不与现有信道重叠。
3. 配置射频参数:在设备上配置新的信道和频宽,确保设备正常工作。

### 4. 注意事项
- 兼容性:确保新配置的信道和频宽与周边其他无线设备兼容。
- 测试:在实施新配置后,进行充分的测试,确保性能符合预期。

如有需要,可以提供更多具体信息,如设备型号、实际部署环境等,以便进一步优化建议。

暂无评论

编辑答案

你正在编辑答案

如果你要对问题或其他回答进行点评或询问,请使用评论功能。

分享扩散:

提出建议

    +

亲~登录后才可以操作哦!

确定

亲~检测到您登陆的账号未在http://hclhub.h3c.com进行注册

注册后可访问此模块

跳转hclhub

你的邮箱还未认证,请认证邮箱或绑定手机后进行当前操作

举报

×

侵犯我的权益 >
对根叔社区有害的内容 >
辱骂、歧视、挑衅等(不友善)

侵犯我的权益

×

泄露了我的隐私 >
侵犯了我企业的权益 >
抄袭了我的内容 >
诽谤我 >
辱骂、歧视、挑衅等(不友善)
骚扰我

泄露了我的隐私

×

您好,当您发现根叔知了上有泄漏您隐私的内容时,您可以向根叔知了进行举报。 请您把以下内容通过邮件发送到pub.zhiliao@h3c.com 邮箱,我们会尽快处理。
  • 1. 您认为哪些内容泄露了您的隐私?(请在邮件中列出您举报的内容、链接地址,并给出简短的说明)
  • 2. 您是谁?(身份证明材料,可以是身份证或护照等证件)

侵犯了我企业的权益

×

您好,当您发现根叔知了上有关于您企业的造谣与诽谤、商业侵权等内容时,您可以向根叔知了进行举报。 请您把以下内容通过邮件发送到 pub.zhiliao@h3c.com 邮箱,我们会在审核后尽快给您答复。
  • 1. 您举报的内容是什么?(请在邮件中列出您举报的内容和链接地址)
  • 2. 您是谁?(身份证明材料,可以是身份证或护照等证件)
  • 3. 是哪家企业?(营业执照,单位登记证明等证件)
  • 4. 您与该企业的关系是?(您是企业法人或被授权人,需提供企业委托授权书)
我们认为知名企业应该坦然接受公众讨论,对于答案中不准确的部分,我们欢迎您以正式或非正式身份在根叔知了上进行澄清。

抄袭了我的内容

×

原文链接或出处

诽谤我

×

您好,当您发现根叔知了上有诽谤您的内容时,您可以向根叔知了进行举报。 请您把以下内容通过邮件发送到pub.zhiliao@h3c.com 邮箱,我们会尽快处理。
  • 1. 您举报的内容以及侵犯了您什么权益?(请在邮件中列出您举报的内容、链接地址,并给出简短的说明)
  • 2. 您是谁?(身份证明材料,可以是身份证或护照等证件)
我们认为知名企业应该坦然接受公众讨论,对于答案中不准确的部分,我们欢迎您以正式或非正式身份在根叔知了上进行澄清。

对根叔社区有害的内容

×

垃圾广告信息
色情、暴力、血腥等违反法律法规的内容
政治敏感
不规范转载 >
辱骂、歧视、挑衅等(不友善)
骚扰我
诱导投票

不规范转载

×

举报说明